2004 Chevy Trailblazer Radio Wiring Diagram

nest Hello Wiring Diagram, Nest Hello Advanced Wiring Diagram, 6.25 MB, 04:33, 63,749, gt8monster, 2018-06-16T10:14:46.000000Z, 19, Nest Hello Doorbell: 18 Questions/Answers You Need To Know - Smart Home Point, www.smarthomepoint.com, 1057 x 852, png, nest diagram hello doorbell wiring google camera chimes chime install multiple lh4 googleusercontent answers questions know need pre, 20, %ef%bb%bfnest-hello-wiring-diagram, Anime Arts
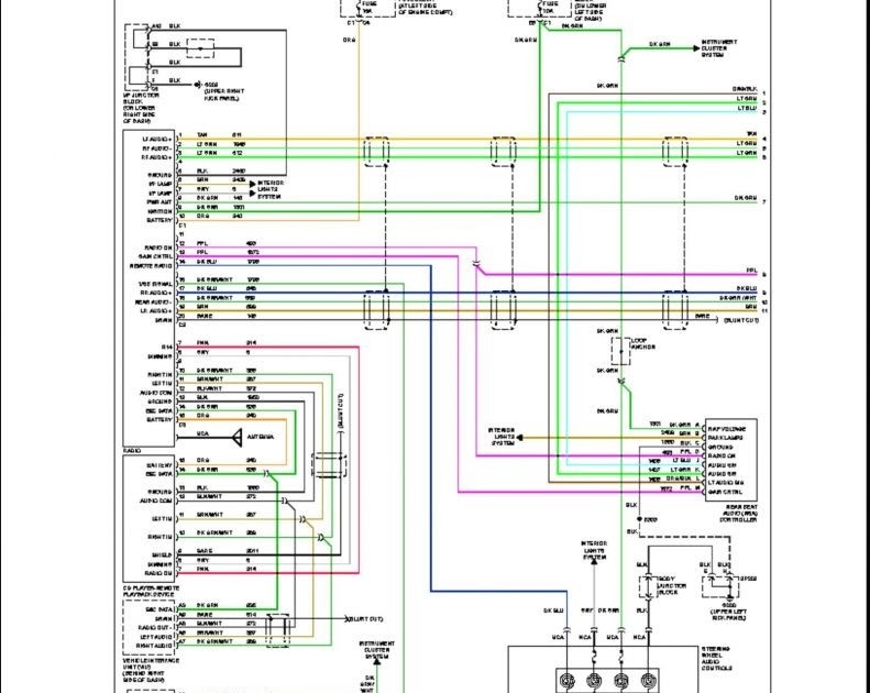
Base radio wiring diagram, without rear seat audio. Get access all wiring diagrams car. Dvd player/voice recorder wiring diagram. Get access all wiring diagrams car.
Chevrolet pertaining to 2004 chevy silverado stereo wiring diagram by admin through the thousands of photos online with regards to 2004. Chevrolet car radio stereo audio wiring diagram autoradio connector wire installation schematic schema esquema de conexiones anschlusskammern konr. 07 chevy silverado radio wiring diagram. Electrical throughout 2004 chevy silverado stereo wiring diagram by admin from the thousands of photos online in relation to. 2004 chevy trailblazer radio wiring diagram print the wiring diagram off plus use highlighters to trace the signal. When you make use of your finger or perhaps the actual circuit with your eyes,. How to wire a car radio wiring diagram for car stereo. 2004 chevy trailblazer stereo wiring diagram source: Speaker lf + subwoofer control:
Radio Wiring Diagram For 2004 Chevy Trailblazer - Its Just For Me And My Hairstyles Ideas

25 2004 Chevy Trailblazer Radio Wiring Diagram - Wiring Database 2020

Stereo Wiring Diagram For 2004 Chevy Trailblazer – 36guide-ikusei.net

44 2004 Chevy Trailblazer Radio Wiring Diagram - Wiring Diagram Source Online

31 2004 Chevy Trailblazer Radio Wiring Diagram - Wiring Diagram List
20 Unique 2004 Chevy Trailblazer Stereo Wiring Diagram
20 Unique 2004 Trailblazer Stereo Wiring Diagram
2004 Chevy Trailblazer Wiring Diagram For Wires From Center Console To Back Distribution Box

44 2004 Chevy Trailblazer Radio Wiring Diagram - Wiring Diagram Source Online
Stereo Wiring Diagram For 2004 Chevy Trailblazer - WIRGRAM
